首页 > 电源管理IC > BCT0115(5键触摸IC)
1、产品概述
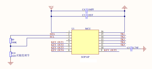
BCT0115 是一个 5 路电容式触摸按键检测芯片,支持 5 路独立触摸输入与对应 5 路 LED 驱 动输出。芯片采用封装,可精准检测外部触摸按键上的人手触摸动作,有效减少 SOP16P 按键误触发,确保在复杂环境下仍保持高可靠性,同时支持灵敏度调节功能,仅需极少外部元件即可实现稳定的触摸按键应用,广泛适用于玩具、小家电、便携式消费电子等场景。
2、工作内容
Output :5 个输出口(KEY OUT1,KEY OUT2, KEY OUT3, KEY OUT4,KEY OUT5) Input:5 个触摸按键(TK1,TK2,TK3,TK4,TK5)

产品推荐Product recommendation